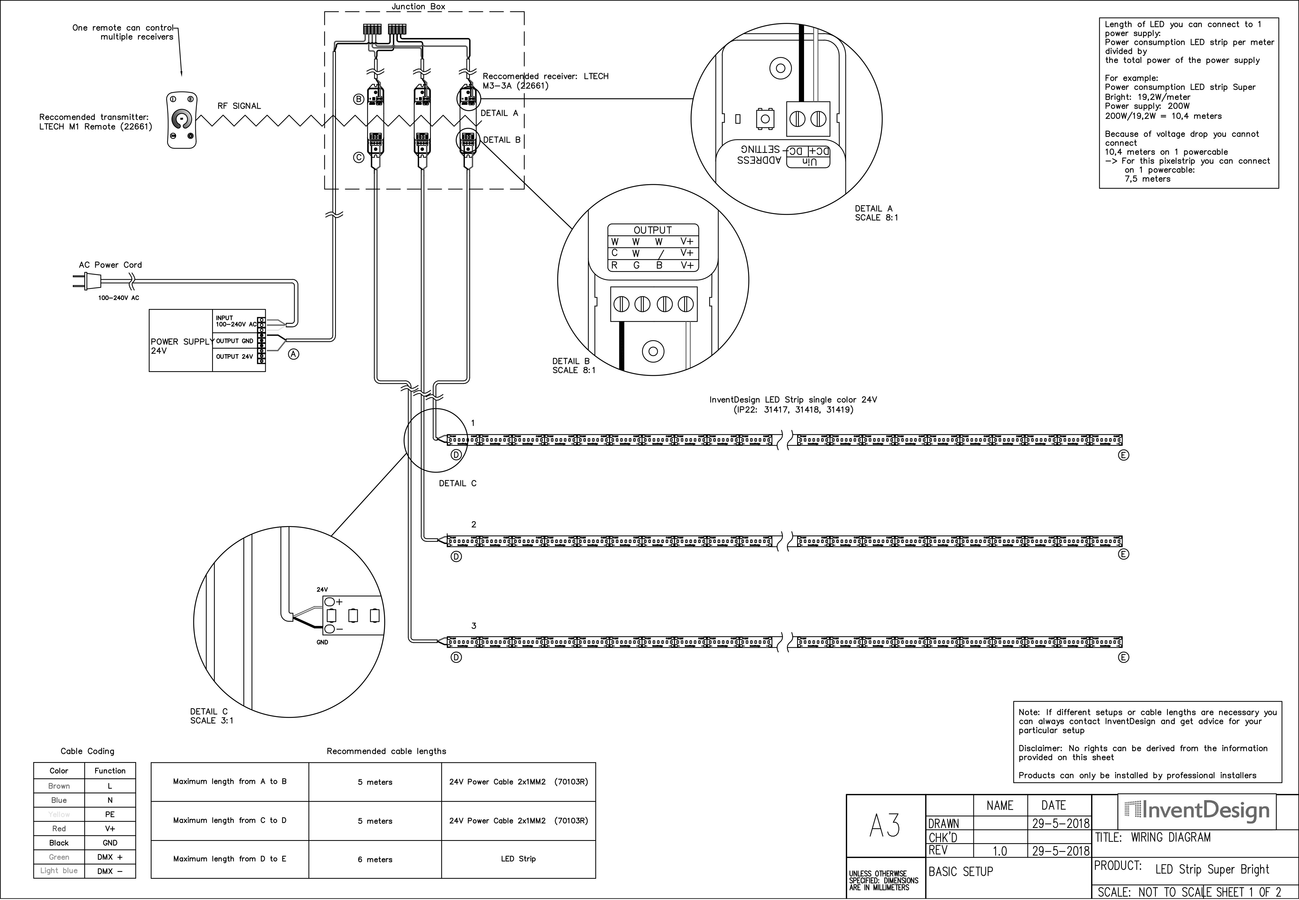
LED Strip Wiring Diagram Basic-Model- Reference: 31417, 31418, 31419
LED Strip Wiring Diagram Basic-Model- Reference: 31417, 31418, 31419
Related Articles
LED Strip Wiring Diagram Basic Model - Reference 31135, 31136, 31137
LED Strip Wiring Diagram Basic Model - Reference- 31814, 31815, 31816, 31817
LED Strip Wiring Diagram Basic Model - Reference: 31119 AD White 24V
LED Strip Wiring Diagram basic - Reference: 31172, 31174, 31176, 31178 24V
LED Strip Wiring Diagram Advanced - Reference: 31119 AD White 24V